您當前的位置:首頁 > 產品中心 > WP蝸輪蝸桿減速機
詳細介紹:
WPS減速機,WPS蝸輪蝸桿減速機,WPS自鎖減速機都是屬于蝸輪蝸桿減速機系列, 產品在符合按國家標準GB10085-88蝸桿蝸輪參數基礎之上,吸取國內外先進科技,獨具新穎一格的外部結構,箱體外形美觀,以優質鑄鐵壓鑄而成。
WPS減速機,WPS蝸輪蝸桿減速機,WPS自鎖減速機安裝
1、可按實際要求采用多種安裝形式,六個面均能安裝;
2、安裝必須牢固,可靠;
3、原動機、減速機的工作機構之間須仔細對中,誤差不得大于所用聯軸器的許用補差;
4、安裝后用手轉動,必須靈活、無卡滯現象。
WPS減速機,WPS蝸輪蝸桿減速機,WPS自鎖減速機油量添加事項
很多用戶都不清楚蝸輪減速機油量要加多少才為適合,在什么情況下添加蝸輪減速機潤滑油,有的用戶甚至都不清楚是停止狀態下還是運行的狀態下衡量油量。請遵守并根據說明書來添加油量,油量添加至油窗的2/3位置。而這個數據是在停機狀態下的,注意:不要在蝸輪減速機運行的狀態下添加潤滑油。因為在蝸輪減速機運行的過程中,其內部部件齒輪或者是蝸輪轉動時帶動內部的潤滑油一起運轉,如果在這種情況下判斷蝸輪減速機油量的話,可能是滿的,也有可能是低于油窗的2/3,甚至有可能沒有什么潤滑油了。因此在蝸輪減速機運行的狀態下來判斷油量的話就與實際油量的差距比較大,建議在蝸輪減速機停止運行的狀態來衡量油量并添加適量的潤滑油。
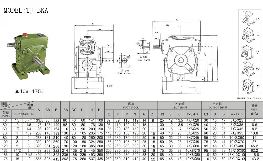
以下是WPS減速機,WPS蝸輪蝸桿減速機,WPS自鎖減速機外形尺寸參數圖
